Voltage Multiplier
1. Tujuan [kembali]
- Untuk menyelesaikan tugas matkul elektronika yang ditugaskan oleh bapak Dr. Darwinson, M.T.
- Dapat menambah wawasan dan membuat rangkaian voltage-multiplier circuits
- Menjelaskan karakteristik dari sirkuit pengganda tegangan.
- Mengaplikasikan rangkaian sirkuit pengganda tegangan dengan proteus.
2. Alat dan Bahan [kembali]
1. Voltmeter DC
![]() |
| gambar 1 Tampilan volmeter dc |
Voltmeter merupakan suatu alat yang dimanfaatkan untuk mengukur tegangan listrik dalam suatu rangkaian listrik. Umumnya bentuk penyusunan pararel berdasarkan pada tempat komponen listrik hendak diukur. Dimana dalam setiap komponen ditemukan tiga buah lempengan tembaga di dalamnya. Lempengan tersebut dipasangkan diatas Bakelit yang telah dirangkai dan menyatu dalam tabung plastik atau kaca. Pada lempengan bagian luar dinamakan anode, sementara itu lempengan tengah disebut katode.
2. Alternator
![]() |
| gambar 1 tampilan alternator |
3. Transformator
1. Dioda
2. Kapasitor
![]() |
| Gambar tampilan kapasitir |
![]() |
| Tampilan kapasitor pada proteus |
Kapasitor atau kondensator oleh ditemukan oleh Michael Faraday (1791-1867) pada hakikatnya adalah suatu alat yang dapat menyimpan energi/ muatan listrik di dalam medan listrik. Kemudian Michael Faraday membuat postulat bahwa sebuah kapasitor akan memiliki kapasitansi sebesar 1 farad jika dengan tegangan 1 volt dapat memuat muatan elektron sebanyak 1 coulombs.
Dengan rumus dapat ditulis :
Q = CV
Dengan asumsi :
Q = muatan elektron C (Coulomb)
C = nilai kapasitans dalam F (Farad)
V = tinggi tegangan dalam V (Volt)
3. Dasar Teori [kembali]
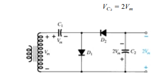
Jaringan Gambar 2.121 adalah doubler tegangan setengah gelombang. Selama tegangan positif setengah siklus di transformator, dioda sekunder D1 melakukan pengisian kapasitor C1 dan dioda D2 terputus, pengisian daya kapasitor C1 hingga puncak tegangan (Vm). Diode D1 idealnya singkat selama setengah siklus ini, dan tegangan input mengisi daya kapasitor C1 ke Vm dengan polaritas yang ditunjukkan dalam Gbr. 2.122a. Selama setengah siklus negatif tegangan sekunder, dioda D1 terputus dan dioda D2 melakukan pengisian kapasitor C2. Karena diode D2 bertindak sebagai singkat selama setengah siklus negatif (dan dioda D1 terbuka), kita dapat menjumlahkan tegangan di sekitar loop luar (lihat Gbr. 2.122b):
dari mana :
doubler ( doubler ).
tegangan doubler.
Selama setengah siklus negatif (lihat Gbr. 2.124b) dioda D2 melakukan pengisian kapasitor C2 saat dioda D1 nonkonduktor. Jika tidak ada arus beban yang ditarik dari sirkuit, tegangan di seluruh kapasitor C1 dan C2 adalah 2Vm. Jika arus beban ditarik dari sirkuit, tegangan di seluruh kapasitor C1 dan C2 sama dengan yang di seluruh kapasitor diumpankan oleh sirkuit rectifier gelombang penuh. Satu perbedaan adalah bahwa kapasitas efektif adalah C1 dan C2 dalam seri, yang kurang dari kapasitas C1 atau C2 Sendirian. Nilai kapasitor yang lebih rendah akan memberikan tindakan pemfilteran yang lebih buruk dari pada sirkuit filter singlecapacitor.
Tegangan terbalik puncak di setiap dioda adalah 2Vm, seperti untuk kapasitor filter Sirkuit. Singkatnya, sirkuit tegangan-doubler setengah gelombang atau gelombang penuh menyediakan dua kali tegangan puncak trafo sekunder sambil tidak memerlukan transformator yang disadap pusat dan hanya peringkat PIV 2Vm untuk dioda.
Gambar 2.125 menunjukkan perpanjangan doubler tegangan setengah gelombang, yang berkembang
tiga dan empat kali tegangan input puncak. Harus jelas dari pola sirkuit bagaimana dioda dan kapasitor tambahan dapat disambungkan sehingga tegangan output mungkin juga lima, enam, tujuh, dan sebagainya, kali puncak dasar tegangan (Vm).
Gambar 2.125 tegangan tripler dan quadrupler.
-Example, Problem, dan Pilihan Ganda [kembali]
Example :
Problem :

Diketahui :
Kapasitor C1 = 2 μF
Kapasitor C2 = 4 μF
Kapasitor C3 = 4 μF
Ditanya : Kapasitas pengganti (C)
Jawab :
Kapasitor C2 dan C3 terangkai paralel. Kapasitas penggantinya adalah :
CP = C2 + C3 = 4 + 4 = 8 μF
Kapasitor C1 dan CP terangkai seri. Kapasitas penggantinya adalah :
1/C = 1/C1 + 1/CP
1/C= 1/2 + 1/8
1/C= 4/8 + 1/8
1/C= 5/8
C = 8/5 μF
μF = mikro Farad (satuan kapasitansi listrik). 1 μF = 10-6 Farad
Diketahui :

Kapasitor C1 = 3 μF
Kapasitor C2 = 4 μF
Kapasitor C3 = 3 μF
Jawab :
Kapasitor C2 dan C3 terangkai paralel. Kapasitas penggantinya adalah :
CP = C2 + C3
CP = 4 + 3
CP = 7 μF
Kapasitor C1 dan CP terangkai seri. Kapasitas penggantinya adalah :
1/C = 1/C1 + 1/CP
1/C = 1/3 + 1/7
1/C = 7/21 + 3/21
1/C = 10/21
C = 21/10
C = 2,1 μF
C = 2,1 x 10-6 F
Energi listrik pada rangkaian :
E = ½ C V2
E = ½ (2,1 x 10-6)(122)
E = ½ (2,1 x 10-6)(144)
E = (2,1 x 10-6)(72)
E = 151,2 x 10-6 Joule
E = 1,5 x 10-4 Joule.
Pilihan Ganda :
4. Percobaan [kembali]
- Untuk membuat rangkaian ini, pertama, siapkan semua alat dan bahan yang bersangkutan, di ambil dari library proteus
- Letakkan semua alat dan bahan sesuai dengan posisi dimana alat dan bahan terletak.
- Tepatkan posisi letak nya dengan gambar rangkaian
- Selanjutnya, hubungkan semua alat dan bahan menjadi suatu rangkaian yang utuh
- Lalu mencoba menjalankan rangkaian , jika tidak terjadi error, maka motor akan bergerak yang berarti rangkaian bekerja
- Gambar simulasi rangkaian voltage doubler setengah gelombang menggunakan proteus 8
- Gambar simulasi rangkaian voltage quadrupler menggunakan proteus 8
Pada rangkaian pengganda ini terdapat tegangan input sebesar +- 15V AC, trafo, kapasitor C1 dan C2 yang masing masing sebesar 1uF, dan dioda D1 dan D2. Pada saat setengah gelombang positif, arus akan lewat menuju C1 dari kumparan sekunder lalu kembali lagi ke trafo. Lalu, pada saat setengah gelombang negatif, maka arus akan menuju ke bawah dengan tegangan -15V, sementara kapasitor C1 akan membuang 15V. Lalu, arus akan mengalir menuju C2, D2, C1 lalu kembali ke trafo. Sehingga besar tegangan yang terukur di C2 akan sebesar 28.9V yang hampir dua kali lipat tegangan inputnya.
- Video Simulasi Rangkaian























Komentar
Posting Komentar